Entwickeln Konstruieren Verwirklichen
   Entwickeln               Konstruieren                  Verwirklichen

Projektreferenzen

 

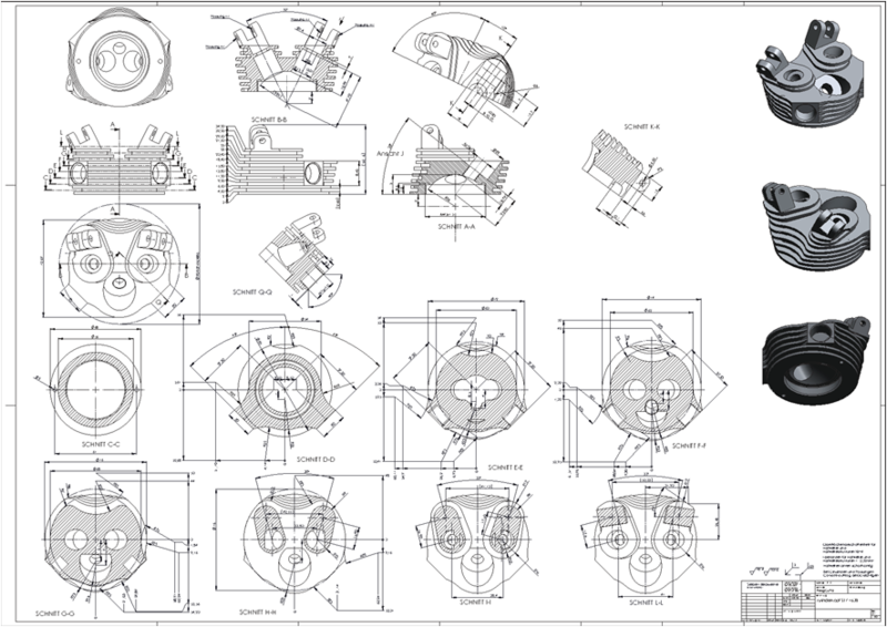
Sonderkonstruktionen

Sonderanfertigungen aus vielen Bereichen der Technik

Für Ihre technischen Probleme und  Wünsche entwickeln wir Lösungen.

Projektbeispiele

Druckversion | Sitemap
© Konstruktionsbüro Ochs, Malsch 2025


Anrufen

E-Mail

Anfahrt